F.K. Kobler
Industrievertretungen
Suche
Kontakt
Über uns
Neuheiten
Downloads
Sitemap
Home
english
Potentiometer
//
Drehpotentiometer
//
Kohleschicht
//
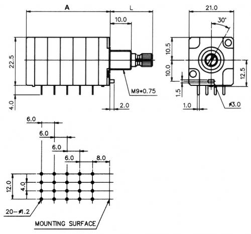
RK21
Baugruppen
Steckverbinder
Kabelkonfektionen
Potentiometer
Drehpotentiometer
Abschwaecher
Drahtpotentiometer
Digitalpotentiometer
Kohleschicht
R17N
R24
RK095
RK097
RK097_2
RK098
RK122
RK21
RK27
Standard Metallpotentiometer
Dimmerpotentiometer
Snap-In
mit LED
Miniatur / Daumenrad
mit Motor
mit Schalter
Keramik
Leitplastik
Schiebepotentiometer
Trimmer
Joysticks
Festwiderstaende
Schalter
Zubehoerteile
RK21
> Spezifikationen (pdf)
Ganggenauigkeit < 3dB. Einsatz u.a. in Vorverstaerkern.