F.K. Kobler
Industrievertretungen
Suche
Kontakt
Über uns
Neuheiten
Downloads
Sitemap
Home
english
Schalter
//
Schiebeschalter
//
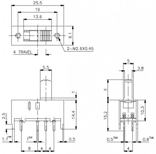
SS2_H02
Baugruppen
Steckverbinder
Kabelkonfektionen
Potentiometer
Festwiderstaende
Schalter
Druckschalter
Kippschalter
Drehschalter
Schiebeschalter
SS12D1
SS22U13
SS2_H02
TS80
Kurzhubtaster
Zubehoerteile
knob_table.pdf
SS2_H02
> Spezifikationen (pdf)
mögliche Knopfausführungen: MX,AT,NY,GD